On August 8, 2024, the China Concrete and Cement-based Products Association organized and held an appraisal meeting for scientific and technological achievements of "Key Technologies for the Manufacturing and Installation of Track Boards of the 600 - km/h High - speed Maglev System".
On August 8, 2024, the China Concrete and Cement-based Products Association organized and held an appraisal meeting for scientific and technological achievements of "Key Technologies for the Manufacturing and Installation of Track Boards of the 600 - km/h High - speed Maglev System". This project was completed by Shanghai Construction Building Materials Technology Group Co., Ltd. and Shanghai Installation Engineering Group Co., Ltd.
I. Project Background
High - speed maglev is different from high - speed rail and ordinary rail transit. It has extremely high precision requirements. The entire track system needs to be strictly controlled in terms of precision from manufacturing to installation. Currently, there is a lack of guiding documents for the design and construction technology of the 600 - km/h high - speed maglev transportation project. Construction units need to master scientific, reasonable, and practical construction techniques for the manufacturing, installation, and precise adjustment of the track system.
II. Research Contents
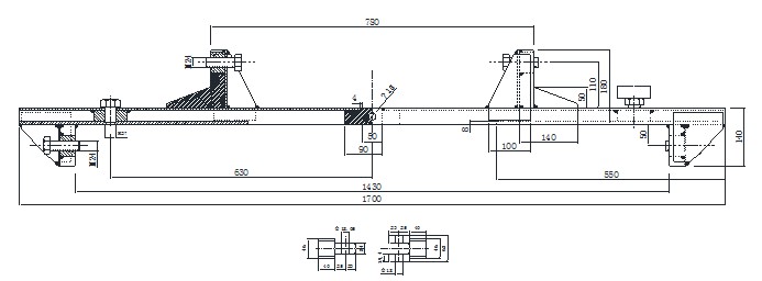
(1) Special Molds and Prefabrication Methods for Track Boards
A set of overall high - precision prefabrication technology and special molds for high - precision track boards were designed and developed. All functional components are embedded on both sides of the track board and poured in once, which improves the processing efficiency and manufacturing quality of the track board. The prefabrication processing accuracy reaches ±1mm.

Special Molds for High - precision High - speed Maglev Track Boards
(2) High - precision Integrated Function Area Positioning Technology for High - speed Maglev Track Boards
A positioning frame for the function area was developed. This positioning frame can accurately and stably fix each functional component, ensuring that the stator is installed accurately as required. The error of the function area positioning frame is within ±1mm, meeting the requirements of the subsequent machining accuracy of functional components.
The operation platform for the function area of the track board can be positioned integrally at one time and hoisted into the integral mold. This greatly improves the manufacturing accuracy of the maglev track board and reduces the difficulty of manual operation.


Function Area Positioning Technology



Function Area Positioning Operation Platform
(3) High - precision Machining Technology for High - speed Maglev Track Boards
In response to the high - precision requirement of ±0.2mm for the track board, the special CNC machine was improved. This not only improves the machining accuracy and efficiency but also enhances the stability and long - term operation ability of the machine tool.


High - precision Machining Technology for High - speed Maglev Track Boards
(4) Key Technologies for the Precise and Fine Adjustment Construction of High - speed Maglev Track Boards
Various construction devices and micro - adjusters were developed. These enable the track board to be turned over multiple times and positioned without damage during the manufacturing and installation processes. At the same time, position deviations can be easily and quickly adjusted to achieve line accuracy.

On - site Application of Turning Frame


Micro - adjuster for Track Boards